- HOME
- 產品介紹
- 工業鏡頭
- 1.2" 25MP 抗振FA鏡頭
-
MVL-KF3540-25MP
MVL-KF3540-25MP
35mm,F4固定光圈,1.2",2500萬分辨率,C介面鏡頭
資料下載
產品介紹
詳細參數
功能特性
· 超高解析度,畫面中心和邊緣清晰度一致性高
· 1.2"大靶面,F4固定光圈,結構穩定
· 超低畸變,高週邊光亮比
· 不同物距下均保持優異的光學性能
· 優異的抗振動、抗衝擊和高低溫穩定性
訂貨型號
· MVL-KF3540-25MP
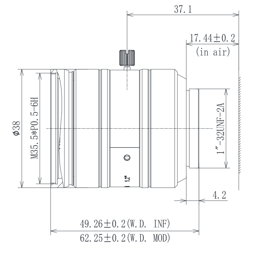
外形尺寸

*產品所涉資料可能因環境等因素而產生差異,本公司不承擔由此產生的後果。
| 型號 | 型號 | MVL-KF3540-25MP |
| 名稱 | 35mm,F4固定光圈,1.2",2500萬分辨率,C介面鏡頭 | |
| 效能 | 焦距 | 35 mm |
| F數 | F4.0 | |
| 像面尺寸 | Φ19.3 mm(1.2") | |
| 畸變 | -0.03% | |
| 最近攝距 | 0.12 m | |
| 視場角 | D(19.3 mm):29.3° H(14.6 mm):22.4° V(12.63 mm):19.5° |
|
| 結構 | 光圈控制 | 固定 |
| 聚焦控制 | 手動 | |
| 濾鏡螺紋 | M35.5 × P0.5 | |
| 介面類型 | C-Mount | |
| 法蘭後焦 | 17.526 mm | |
| 外形尺寸 | Φ38 × 45.06~58.05 mm | |
| 重量 | 135.5 g | |
| 溫度 | -10 ~ 50℃ | |
| 一般規範 | 認證 | RoHS2.0 |