INTL-GN6500P-AI-WID-RBN
晶圓專用 AI深度學習 紅色光源 黑白 全能型智能相機
資料下載
產品介紹
詳細參數
功能特性
· 內嵌晶圓資訊讀取專用的AI演算法
· 先進的光學成像系統,多種照明方式智慧適配
· 整合VM演算法平台軟體及SCClient軟體,可自由使用140+演算法功能
· 高效能處理器,運算效能更快,處理更有效率
· 支持多種工業通訊協議,對接無憂
· 狀態指示燈豐富,可即時掌握設備狀態,方便調試維護
訂貨型號
· INTL-GN6500P-AI-WID-RBN
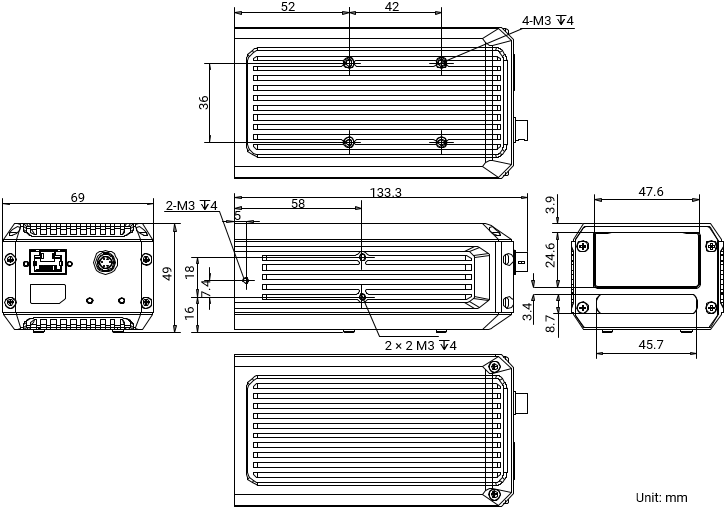
外形尺寸
*產品所涉資料可能因環境等因素而產生差異,本公司不承擔由此產生的後果。
| 型號 | 型號 | INTL-GN6500P-AI-WID-RBN |
| 名稱 | 晶圓專用,AI深度學習,紅色光源,黑白,全能型智能相機 | |
| 工具 | 功能模組 | Vision Master演算法開發平台(包含深度學習模組)和SCClient客戶端 |
| 演算法能力 | 半導體SEMI標準字型OCR辨識、DM碼、QR碼、Barcode碼等 | |
| 通訊協議 | TCP、UDP、MODBUS、串列埠、PROFINET、EtherNet/IP、Fins、MC、FTP等 | |
| 相機 | 感測器類型 | CMOS,全域快門(Global Shutter) |
| 像元尺寸 | 3.45 µm × 3.45 µm | |
| 靶面尺寸 | 1/3" | |
| 解析度 | 1408 x 576 | |
| 最大採集影格率 | 120 fps | |
| 增益 | 0 dB ~ 37 dB | |
| 曝光時間 | 25 μs ~ 1 sec | |
| 像素格式 | Mono 8 | |
| 黑白/彩色 | 黑白 | |
| 光源 | LED | 紅光,條光支援RGB |
| 照明模式 | 多種照明方式 ( 明視場與暗視場 ),自由組合 | |
| 照明強度 | 可變,軟體內可自由配置 | |
| 指示燈 | 電源指示燈PWR、網路指示燈LNK、系統狀態指示燈SYS | |
| 平台 | 記憶體 | 8 GB |
| 儲存 | 64 GB | |
| 鏡頭與安裝 | 鏡頭接口 | M12-Mount |
| 調焦方式 | 自動調節 | |
| 架設高度 | 建議架設40 mm ~50 mm | |
| 視野範圍 | 38 mm x 15 mm | |
| 景深 | ±5 mm | |
| 電氣特性 | 資料介面 | Gigabit Ethernet(1000Mbit/s) |
| 數位I/O | 6-pin P7 接頭提供電源供應支援 - 1 路非隔離輸入(LINE2) - 1 路非隔離輸出(LINE3) - 1 路 RS-232 通訊介面 |
|
| 供電 | 24 VDC | |
| 典型功耗 | 典型功耗:11.5 W@24 VDC 最大功耗:18 W@24 VDC |
|
| 結構 | 外形尺寸 | 127 mm x 69 mm x 49 mm |
| 重量 | 約829 g | |
| IP防護等級 | IP40 | |
| 溫度 | 工作溫度0 ~ 40℃,儲藏溫度-30 ~ 70℃ | |
| 濕度 | 20% ~ 95%RH 無冷凝 | |
| 其他資訊 | 認證 | CE,KC |