INTL-SGI010-GS-NN
1k GigE 無風扇 短波紅外線陣相機
資料下載
產品介紹
詳細參數
功能特性
· 採用InGaAs感測器,支援0.9 ~ 1.7um寬光譜成像,12.5um大像元,動態範圍高
· 相機機身結構設計緊湊,適配工業設備輕巧空間
· ISP功能豐富,支援ADC、對比調節等功能
· 千兆網接口,無中繼情況下,最大傳輸距離可到100m
· 相容GigE Vision V2.0協定及GenlCam標準,無縫銜接第三方軟體
訂貨型號
· INTL-SGI010-GS-NN
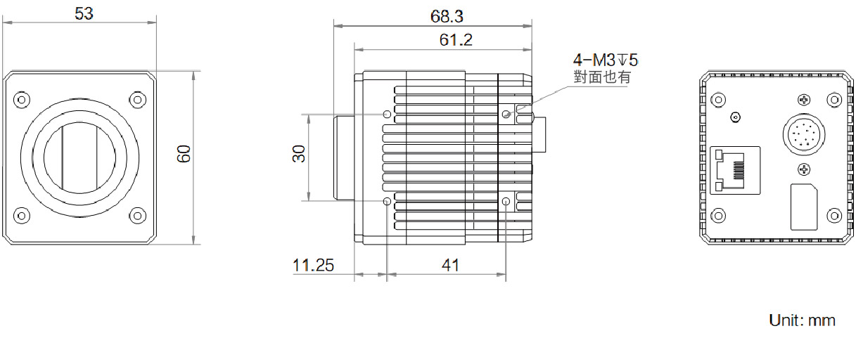
外形尺寸

*產品所涉資料可能因環境等因素而產生差異,本公司不承擔由此產生的後果。
| 型號 | 型號 | INTL-SGI010-GS-NN |
| 名稱 | 1k,GigE,無風扇,短波紅外線陣相機 | |
| 效能 | 感測器類型 | InGaAs |
| 像元尺寸 | 12.5 μm × 12.5 μm | |
| 解析度 | 1024 × 1 | |
| 像素格式 | Mono 8/10/12/14 | |
| 最大行頻 | 15 kHz @1024 × 1 Mono 8 | |
| 動態範圍 | 69.8 dB | |
| 信噪比 | 46.6 dB | |
| 外觸發模式 | 行觸發,幀觸發,行+幀觸發 | |
| 電氣特性 | 資料介面 | Gigabit Ethernet(1000Mbit/s) |
| 數位I/O | 12-pin P10接頭提供供電和I/O包含 - 1路單端幀觸發輸入 - 1路單端行觸發輸入 - 1路差分行觸發訊號輸入(RS422電平) |
|
| 供電 | 12 VDC | |
| 典型功耗 | 5.0 W@12 VDC | |
| 結構 | 鏡頭接口 | C-Mount |
| 外形尺寸 | 53 mm × 60 mm × 61.2 mm(含鏡頭接口) | |
| 重量 | 約355 g | |
| IP防護等級 | IP40(正確安裝鏡頭以及線纜的情況下) | |
| 溫度 | 工作溫度-10 ~ 50°C,儲藏溫度-30 ~ 80°C | |
| 濕度 | 20% ~ 95%RH無冷凝 | |
| 一般規範 | 軟體 | MVS或支援GigE Vision協議的第三方軟體 |
| 作業系統 | Windows 7/10 32/64bits,Windows 11 64bits,Linux 32/64bits | |
| 協議/標準 | GigE Vision V2.0,GenICam | |
| 認證 | CE,RoHS |