MV-SC2023XC-12M-WBN
240萬像素,12mm鏡頭,彩色,電動調焦,超小型智能相機
資料下載
產品介紹
詳細參數
功能特性
· 採用嵌入式硬體平台,可進行高速影像處理
· 植入高精度定位、測量、辨識演算法,可實現計數、有無、測量及辨識等功能
· 豐富I/O介面,可接取多路輸入、輸出訊號
· 狀態指示燈豐富,可即時查看設備狀態,方便調試與維護
· 光源設計巧妙,確保照明區域亮度均勻
· 支援RS-232、TCP、UDP、FTP、Modbus、PROFINET、Ethernet/IP等多種通訊模式
訂貨型號
· MV-SC2023XC-12M-WBN
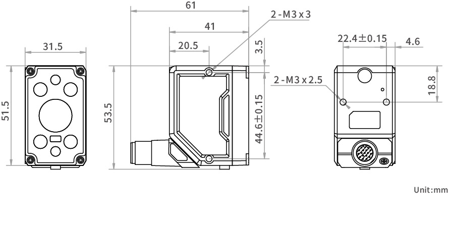
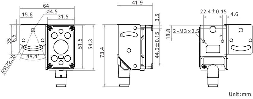
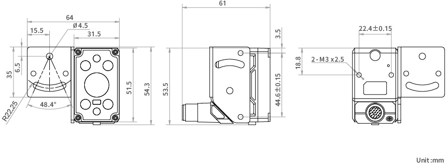
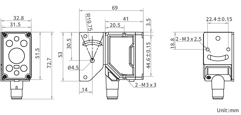
外形尺寸
|
平角設備
|
直角設備
|
|
平角設備 帶支架1
|
直角設備 帶支架1
|
|
平角設備 帶支架2
|
直角設備 帶支架2
|
|
支架
|
*產品所涉資料可能因環境等因素而產生差異,本公司不承擔由此產生的後果。
| 型號 | 型號 | MV-SC2023XC-12M-WBN |
| 名稱 | 240萬像素,彩色,12mm鏡頭,電動調焦,超小型智能相機 | |
| 工具 | 視覺工具 | 計數:斑點計數、邊緣計數、輪廓計數、圖案計數、顏色計數 |
| 有無:圓有無、直線有無、斑點有無、邊緣有無、圖案有無、輪廓有無、異常判斷 | ||
| 定位:位置修正、標定轉換、單點對位、單點糾偏、單點抓取、單位轉換 | ||
| 邏輯:條件判斷、邏輯判斷、變量計算、分支控制、數據格式化、字符比較、組合判斷 | ||
| 測量:線線角度、直徑測量、亮度平均值、對比測量、寬度測量、點線測量、灰度面積、直線角度、節距測量、點點測量、顏色測量、顏色面積 | ||
| 識別:碼識別、種類識別、字符識別、顏色比較、顏色識別 | ||
| 缺陷工具:異常檢測 | ||
| 方案能力 | 支援方案導入/匯出,最多可儲存16個方案,40個模組 | |
| 通訊協議 | RS-232、TCP、UDP、FTP、PROFINET、Modbus、EtherNet/IP、MELSEC/SLMP、FINS、Keyence KV等 | |
| 相機 | 感測器類型 | CMOS,全域快門 |
| 像元尺寸 | 2.2 μm ×2.2 μm | |
| 靶面尺寸 | 1/3.52" | |
| 解析度 | 1920 × 1280 | |
| 最大採集影格率 | 75 fps | |
| 增益 | 0 dB to 48 dB | |
| 曝光時間 | 36 μs 至 100 ms | |
| 像素格式 | Mono 8,RGB 8 | |
| 黑白/彩色 | 彩色 | |
| 電氣特性 | 資料介面 | Fast Ethernet(100Mbit/s) |
| 數位I/O | 17-pin M12介面提供電源和I/O:包含2路隔離輸入(Line 0/1),2路隔離輸出(Line 2/3),1路RS-232,支援透過側邊按鈕觸發設備 | |
| 供電 | 24 VDC | |
| 功耗 | 平均功耗:5 W@24 VDC (啟用自備補光燈) 最大功耗:12 W@24 VDC (啟用自備補光燈) |
|
| 結構 | 鏡頭接口 | M12-mount,可機械調焦 |
| 焦距 | 12 mm | |
| 鏡頭罩 | 透明鏡頭罩,可選購半偏振、全偏振 | |
| 光源 | 白色光源,可選購紅光、藍光、紅外光、紫外光或紅藍雙色光 | |
| 瞄準器 | 2顆綠光LED | |
| 指示燈 | 電源指示燈PWR,網路指示燈LNK,結果顯示指示燈OK/NG,使用者指示燈U1 | |
| 外形尺寸 | 平角:72.7 mm × 31.5 mm × 41 mm 直角:51.5 mm × 31.5 mm × 61 mm |
|
| 重量 | 118 g | |
| IP防護等級 | IP65 | |
| 溫度 | 工作溫度0 ~ 50℃,儲藏溫度-30 ~ 70℃ | |
| 濕度 | 20% ~ 95%RH 無冷凝 | |
| 抗振動強度 | 裸機滿足IEC 60068-2-6:2007 (10至55 Hz,全振幅1.5 mm,X、Y、Z各方向2小時) | |
| 抗衝擊強度 | 裸機滿足IEC 60068-2-27:2008 (30 g/11 ms,半正弦波,6個軸向,每個軸向500次衝擊,共3000次衝擊) | |
| 一般規範 | 軟體 | SCMVS |
| 認證 | CE,KC |






